規格:ST型
單位:
瀏覽次數:4064
性能標簽:
ST型化學密封
描述
螺紋型化學密封,帶不同的螺紋連接
應用
用于安裝在壓力開關、壓力變送器和壓力表上。
用于熱介質、污染介質或腐蝕性介質。
用于一般機械工程、化學或化工應用。
技術數據
| 技術數據 | 標準 | 可選 |
| 本體材料 | 不銹鋼AISI 316Ti(1.4571) | 特殊材料 |
| 膜材料 | 不銹鋼AISI 316Ti(1.4571) 焊接到本體 |
特殊材料 |
| 膜涂層 | PTFE箔,PFA-, ECTFE- (Halar@) 金-, 銀-, 其它按要求提供 |
|
| 密封 | FPM (Viton) | 其它按要求提供 |
| 儀器連接 | G 1/2內螺紋 | G 1/4內螺紋 |
| 過程連接 | G 1/2內螺紋 | G 1/2, MNPT其它按要求提供 |
| 填充液 | 寬溫度范圍的油,FDA一致性 (許可種類 USDA-H11) |
|
| 壓力范圍 | 按要求提供 | |
| 標稱壓力 | PN25, PN250 | |
| 其它可選 | ||
| 毛細管 | ||
| 冷卻元件 | ||
| 1 USDA, 專利產品和非食品化合物表 | ||
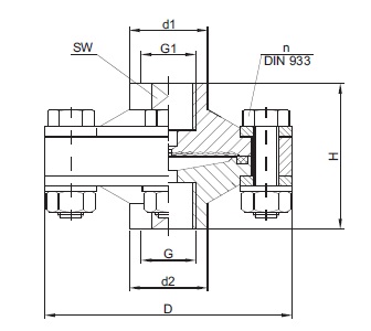
尺寸圖

| G | G1 | PN | d1/d2 | D | H | n | SW |
| G1/2 | G1/2 | 25 | 30 | 95 | 56 | 4x M10 | 27 |
| 1/2NPT | G1/2 | 25 | 30 | 95 | 76 | 4x M10 | 27 |
| G1/2 | G1/2 | 250 | 30 | 95 | 56 | 8x M10 | 27 |
| 1/2NPT | G1/2 | 250 | 30 | 95 | 76 | 8x M10 | 27 |
本網站資料大多是準確的,最新產品資料以產品說明書和操作手冊為準。產品圖片可能與實際有差別,請以實物為準。